| ¡¡ |
 |
|
DDSY566-1P3W
|
|
|
|
|
|
|
|
| | |
 |
Single phase three
wire prepayment watt-hour meter |
| ¡¡ |
¡¡ | |
DDSY566
single phase three wire prepayment electronic watt-hour meter adopts
LSI, latest micro-electronic technology &
SMT technique, with advanced processing and
simple structure and modern special IC chip to
raise the meter¡¯s dynamic working scope.
Long-life and high-reliability components are
adopted to ensure the long-term operation
stability of the energy meter. It used for
measuring rated frequency 50Hz/60Hz active
energy with high accuracy and little power
loss, meanwhile, realizes the functions of
prepayment management and load control that
pay for energy first & use it afterwards.
DDSY566
Single Phase three wire prepayment electronic watt-hour meter
conforms to the standards as follow: GB/T
17215-2002 (IEC61036-2000)
|
| ¡¡ |
| Technical parameters
|
class:
1.0 or 2.0
rated
voltage: 110V/220V (single phase
three wire)
rated
current: 5(30)A, 10(40)A, 15(60)A
power
loss: 0.5W
operating temperature:
-30¡æ-+60¡æ
|
|
Main features
|
¡ö
Active
electric energy measuring and no calibration
needed within service life;
¡ö
Prepayment
energy consuming system by use of IC card,
Protecting against tamper & fraud ;
¡ö
One
meter with one IC card which adopts special
security measures, safe and reliable;
¡ö
Warning
when residual energy is deficient to remind
users of purchasing energy in time, trip at
overload automatically and recording the
numbers of tripping;
¡ö
Collecting
card backward reading user¡¯s ID and the
accumulative energy;
¡ö
Display
IC card advance purchase energy, remaining
energy, accumulated energy, preset load-limit,
alarming energy limit, maximum load, current
load;
¡ö
Wide limit temperature range;
¡ö
build in two relays to disconnect the two 110V
wire.
|
| |
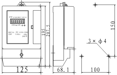
| Mounting Dimension
|
|
|
|
 | | |
|
| |
| ¡¡ |
|
|
| ¡¡ | |
| |